会社概要
沿革
製品情報
光警報装置
事業所
ECサイトログイン
ベル/ブザー
トップ
会社概要
沿革
製品情報
光警報装置
関連会社
販売店一覧(ベル・ブザー)
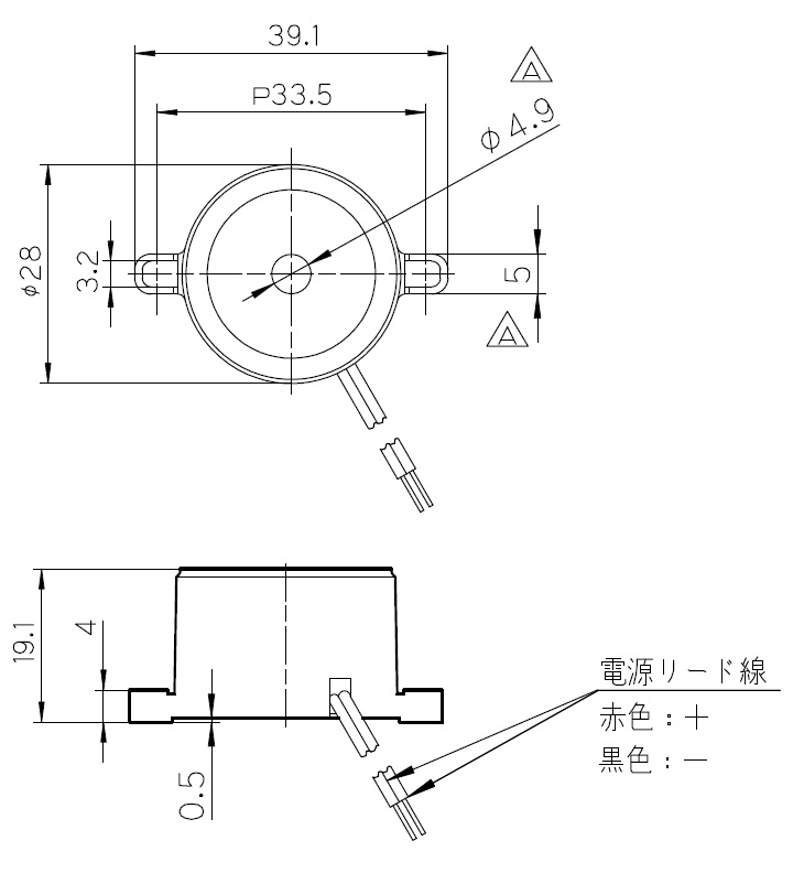
圧電式電子ブザー ESZ-11A DC5V~28V
製品情報
光警報装置
ベル・ブザー
電磁ブザー
圧電ブザー
警報ベル
生産終了品
■製品カタログ
■販売代理店一覧
ECサイト
図面仕様書 >>
♩試聴する
商品名
圧電式電子ブザー ESZ-11A DC5V~28V
型式
ESZ-11A
販売価格
3,760
電源
DC
定格電圧(V)
24
使用電圧範囲(V)
5~28
定格電流(A)
0,025
最低動作電圧(V)
4
使用温度範囲(℃)
-20~+60
保存温度(℃)
-30~+70
使用周囲湿度(%)
45~85
音量dB/m(A)
›
90
寿命(Hr)
1000
音量(dB) ※定格電圧印加時
90
絶縁抵抗MΩ以上
100
重量
8g
外装
黒ABS
商品説明
本製品はRoHS2対応です。
原産国:中国
当サイトを最適な状態で閲覧していただくにはブラウザの
JavaScriptを有効
にしてご利用下さい。
JavaScriptを無効のままご覧いただいた場合には一部機能がご利用頂けない場合や正しい情報を取得できない場合がございます。